测压接头
累计评价0
累计销量0
请选择您要的商品信息x




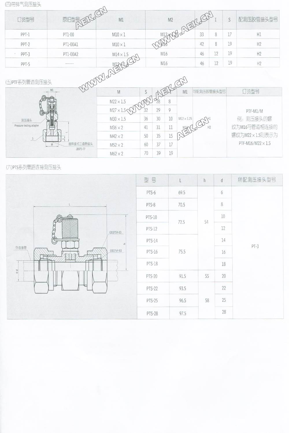
测压接头,PT1,PT2,PT3,PT4,PT5,PT6,PT7,PT8,PT9,PT10,PT11,PT12
7/16-20UNF-M16*2 ZG1/8-M16*2 G3/8-M16*2 ZG1/4-M16*2
M10*1.25-M16*2 M8*1-M16*2 G1/8-M16*2 ZG3/8-M16*2
G1/2-M16*2 M22*1.5-M16*2 M20*1.5-M16*2 M16*1.5-M16*2
9/16-18UNF-M16*2 PT-3(M14*1.5-M16*2) PT-5(M12*1.5-M16*2)
PT-2(M10*1-M16*2) PT-7(G1/4-M16*2) PT-6(M18*1.5-M16*2)
1/2-20UNF-M16*2 NPT1/8-M16*2 NPT1/4-M16*2
宝贝与描述相符
5