联系客服咨询
累计评价0
累计销量54656
请选择您要的商品信息x









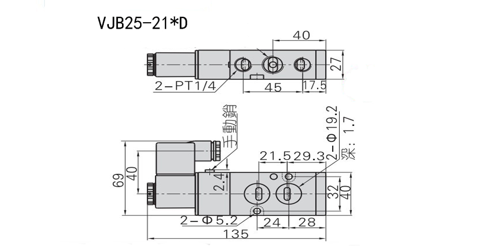
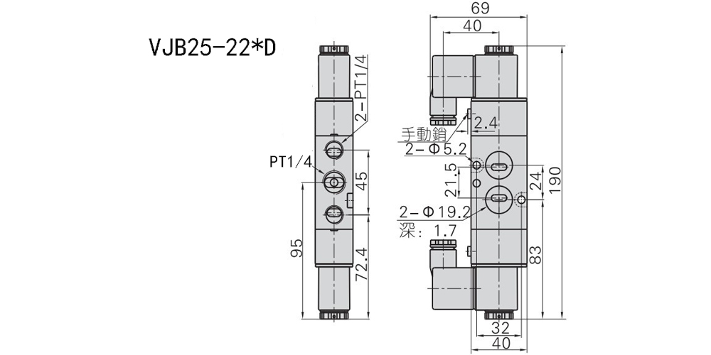
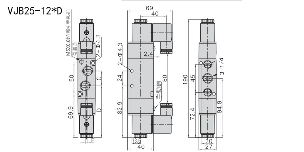
VJB25-211D VJB25-222D VJB25-112DEX VJB25A-211D ZVJB25-211D/AC220V VJB25-212DEX VJB25-221D/AC220V
VJB25A-211D/AC220V VJB25A-211D VJB25-211D/AC220V
VJB25A-212DEX VJB25-221DEX VJB25-212D/DC24V
HVJB25-221D VJB25-211D/AC220V VJB25-221D 二位五通电磁阀
二位五通电磁阀防爆电磁阀
宝贝与描述相符
5