(小体积)
累计评价0
累计销量1212



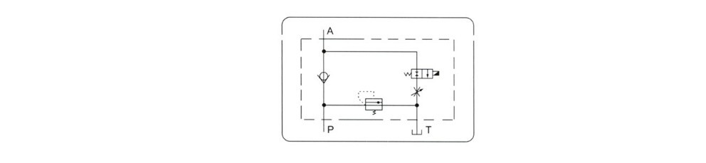
| 型号 | 公称流量 L/min | 公称压力 Mpa | 调压范围 Mpa | 调定压力 Mpa | 允许背压 Mpa | 额定电压 |
ZJE-E8B-T | 25 | 20 | 0.6~20 | 16 | <8 | DC24V AC220V |
ZJE-E10B-T | 25 | 20 | 0.6~20 | 16 | <8 |



ZJE-E10B-T DC24V JZE-F8B-T,220V JZE-F8B-T/DC24V
ZJE-E8B-T/24V ZJE-E8B-T/220v ZJ8-E8B-T 380V ZJE-E8B-T/DC24V ZJE-E10B 380V
宝贝与描述相符
5