全部商品分类
< >

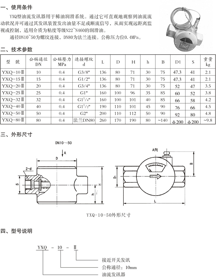
油流信号器YXQ-10,YXQ-15,YXQ-20,YXQ-25,YXQ-32,YXQ-40,YXQ-50,YXQ-65

联系客服修改运费

销售价 ¥240.00 /只
配送至
请选择地区
服务
由  工业器材网-上海爱儿康工业器材有限公司  发货并提供售后服务
  • 累计评价0

  • 累计销量123

官方旗舰店
综合
  • 描述相符 5
  • 服务态度 5
  • 发货速度 5
所在地:
售前客服:
售前1:
售前1
售后客服:
售后1:
售后1
工作时间:
工作时间 AM 8.30- PM 17:30

    

 

   



 油流信号器YXQ-10,YXQ-15,YXQ-20,YXQ-25,YXQ-32,YXQ-40,YXQ-50,YXQ-65,YXQ-80,

猜您喜欢 浏览历史