联系客服修改运费
累计评价0
累计销量121212




产品说明:
气动二位切断阀是工业生产过程自动化元件之一,是气动单元组合仪表中的执行机构。他按照控制仪表供给的信号,开启或切断管道中的流动介质(水,蒸汽等),
以满足系统对压力,温度,流量等工业参数的要求。
该型号产品是本公司吸收国外先进技术而设计的新一代精密铸造不锈钢切断阀。它集材质优、外观美、重量轻、体积小、使用寿命长、安装维修方便于一体等优点。
能胜任在氮气硫化上使用。其主要性能指标均达到同类进口阀门水平。
本产品执行标准:HG/T3236-1989《橡胶机械用气动二位切断阀》
适用于采用JIS(日本工业标准)、API(美国石油学会标准)或DIN(联邦德国工业标准)的法兰连接系统。
结构及作用原理:
气动二位切断阀,由活塞式执行机构和切断阀两部分组成.当无讯号时,靠弹簧的预紧力,使阀芯关闭于上阀座;有讯号输入时,活塞推动阀杆向下运行,将阀芯
关闭于下阀座.三通切断阀和二通切断阀区别于下端,前者是装有接管,可以再接一条回路管道;后者是封闭的阀盖。





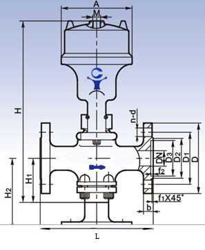
连接尺寸:
适用于JIS、API或DIN的法兰连接
| DN | L | H1 | H | M | A | D | D1 | D2 | b | f | n-d |
| 1/2" | 85 | 48 | 206 | ZG1/4" | |||||||
| 15 | 146 | 48 | 206 | ¢85 | 95 | 70 | 51 | 15 | 1 | 4-¢15 | |
| 20 | 146 | 55 | 255 | ¢85 | 100 | 75 | 56 | 16 | 1 | 4-¢15 | |
| 25 | 167 | 72 | 295 | ¢116 | 125 | 90 | 68 | 16 | 1 | 4-¢19 | |
| 32 | 190 | 90 | 410 | ¢165 | 135 | 100 | 76 | 18 | 2 | 4-¢19 | |
| 40 | 190 | 80 | 360 | ¢172 | 140 | 105 | 81 | 19 | 2 | 4-¢19 |
(适用于国家标准连接)法兰标准:按JB79-59、GB9113.11-8平法兰及GB79.2-94、GB9113.5凹法兰选定
| DN | L | H1 | H2 | H | M | A | D | D1 | D2 | D3 | b | f1 | f2 | n-d | kg |
| 1/2" | 98 | 48 | 265 | ZG1/4" M16×1.5 | ¢85 | 3.5 | |||||||||
| 20 | 185 | 75 | 110 | 330 | ¢118 | 115 | 85 | 65 | 58 | 16 | 2 | 4 | 4-¢14 | 13.8 | |
| 25 | 185 | 75 | 110 | 330 | ¢118 | 115 | 85 | 65 | 58 | 16 | 2 | 4 | 4-¢14 | 13.8 | |
| 32 | 195 | 88 | 125 | 420 | ¢167 | 145 | 110 | 85 | 76 | 18 | 3 | 4 | 4-¢18 | 25.0 | |
| 40 | 195 | 88 | 125 | 420 | ¢167 | 145 | 110 | 85 | 76 | 18 | 3 | 4 | 4-¢18 | 25.0 | |
| 50 | 220 | 91 | 135 | 430 | ¢262 | 160 | 125 | 100 | 88 | 20 | 3 | 4 | 4-¢18 | 38.0 |
ZSQ-402/3R型气动二位切断阀,ZSQ-402R-15 ,ZSQ-403R-15
宝贝与描述相符
5