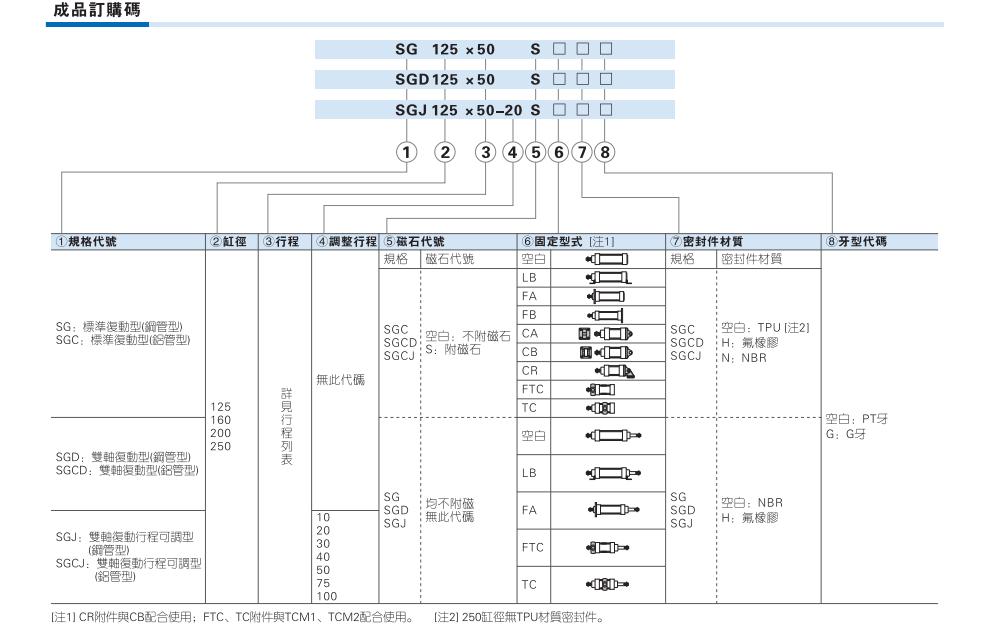
亚德客气缸,AIRTAC气缸
累计评价0
累计销量1221





亚德客气缸,AIRTAC气缸,SG气缸,SG标准气缸,SG250*100,SG250*50
SG250*25,SG250*50,SG250*75,SG250*100,SG250*125,SG250*150,SG250*175,SG250*200,SG250*225,SG250*250,SG250*300,SG250*350,SG250*400,SG250*450,SG250*500,SG250*600,SG250*700,SG250*800,SG250*900,SG250*1000
宝贝与描述相符
5