全部商品分类
< >

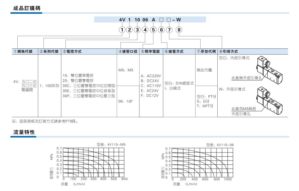
AirTAC亚德客电磁阀4V110、4V120、4V130、

AirTAC亚德客电磁阀4V110、4V120、4V130、

销售价 ¥65.00 /只
配送至
请选择地区
服务
由  工业器材网-上海爱儿康工业器材有限公司  发货并提供售后服务
  • 累计评价0

  • 累计销量0

官方旗舰店
综合
  • 描述相符 5
  • 服务态度 5
  • 发货速度 5
所在地:
售前客服:
售前1:
售前1
售后客服:
售后1:
售后1
工作时间:
工作时间 AM 8.30- PM 17:30


     

 AirTAC亚德客电磁阀4V110、4V120、4V130、

4V110-M5、4V120-M5


4V130C-M5、4V130E-M5、4V130P-M5


4V110-06、4V120-06


4V130C-06、4V130E-06、4V130P-06


猜您喜欢 浏览历史